Установка доводчика на дверцу кухонного шкафчика: легкий и надежный метод
Хотите, чтобы дверца вашего кухонного шкафчика закрывалась бесшумно и плавно? Мы подготовили для вас подробную инструкцию, как правильно установить доводчик. Следуйте нашим советам и настройте его шаг за шагом для достижения наилучшего результата.


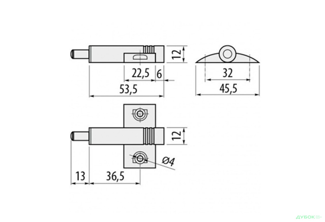
Предварительно изучите инструкцию, прилагаемую к выбранному доводчику. Ознакомьтесь с основными этапами установки и проверьте наличие всех необходимых инструментов.

Регулировка мебельной петли с доводчиком самостоятельно. Как снять быстросъемную петлю самому.

Очистите поверхность дверцы шкафчика от грязи и пыли, а также удалите старые крепежные элементы, если они есть.

ГАЗЛИФТ РАЗМЕТКА УСТАНОВКА
Внимательно измерьте места, где будут расположены глухие и движущиеся части доводчика, чтобы не возникло проблем с закрытием дверцы.

Установка и снятие доводчиков Blum

Прикрепите глухую часть доводчика с помощью шурупов или других предоставленных средств крепления. Убедитесь, что она плотно прилегает к поверхности дверцы.

Газлифт для мебели, обзор и установка
Закрепите движущуюся часть доводчика на корпусе шкафчика или стене с помощью крепежных элементов, предоставленных в наборе. Учтите место, где будет находиться доводчик в закрытом состоянии.

Как установить Газ-лифт мебельный.

Не забудьте отрегулировать силу доводчика, используя специальную регулировочную гайку или шуруп. Настраивайте его таким образом, чтобы дверца закрывалась плавно и без усилий.
Проверьте работу доводчика, медленно закрывая и открывая дверцу шкафчика несколько раз. Убедитесь, что она закрывается надежно и плавно во всех положениях.

Старый мебельщик показал этот мастер-трюк с ремонтом ДСП и вырванной петли с корнями
Если вам кажется, что дверца закрывается слишком быстро или медленно, можно вносить корректировки в настройку силы доводчика. Измените положение регулировочной гайки или шурупа для достижения желаемого результата.

Как легко и быстро установить мебельные петли

✅ Как установить доводчик (амортизатор) на шкаф или ящик своими руками
При работе с доводчиком будьте осторожны и следите за тем, чтобы его части не попадали в зону поражения. При необходимости закройте дверцу шкафчика и используйте перчатки или другие средства защиты.

Мебельные петли с доводчиком Как установить в место старых петель

Ни в коем случае не пренебрегайте инструкцией, прилагаемой к доводчику. Она содержит важные сведения о правильной установке и эксплуатации данного устройства.

КАК ОТРЕГУЛИРОВАТЬ ДВЕРЦЫ ШКАФА И ДРУГУЮ МЕБЕЛЬ. РЕГУЛИРОВКА ПЕТЕЛЬ СВОИМИ РУКАМИ.
